ÖÙ²©cbin99

ÖÙ²©¡¤cbin99(Öйú¼¯ÍÅ)¹Ù·½ÍøÕ¾
ÖÙ²©¡¤cbin99(Öйú¼¯ÍÅ)¹Ù·½ÍøÕ¾

ÊÖÒÕÎÄÕÂ

Ê×Ò³ - ÐÂÎÅ×ÊѶ - ÊÖÒÕÎÄÕÂ

ÔõÑùÈÃÄúµÄ×°±¸ÓöÉ϶ԵÄÐýתÌÖÂÛ£¿£¿

Ðû²¼ÈÕÆÚ: 2018-08-17    ä¯ÀÀ´ÎÊý: 9350    ÐÂÎű༭: 

¡¡¡¡½üÄêÀ´£¬£¬Ëæ×Ÿ÷¹¤ÒµµÄÒ»Ö±¿ªÕ¹£¬£¬¶ÔÐýתÌÖÂÛµÄÒªÇóÒ²ÓúÀ´Óú¸ß£¬£¬Èç×÷Éõ×°±¸Ìôѡһ¿îºÏÊʵÄÐýתÌÖÂÛ£¬£¬ÈÃÉú²úÏßÔË×÷ÆðÀ´¸ü·ÅÐÄÊ¡Á¦£¬£¬ÊÇÿ¸öÓû§µÄÏ£ÍûÓëËÞÔ¸£¬£¬½ñÌ죬£¬ÖÙ²©cbin99¿Æ¼¼±ãÓë¸÷ÈË·ÖÏí¼¸Ìõ¹ØÓÚÈç×÷Éõ×°±¸Ñ¡ÔñºÏÊʵÄÐýתÌÖÂ۵Ļù±¾ÒªÁ죬£¬ÈÃÄúµÄ×°±¸ÓöÉ϶ԵÄÐýתÌÖÂÛ¡£


¡¡¡¡Ò»¡¢¡¢ÊÖÒÕ²ÎÊý¼òÖ±ÈÏ

¡¡¡¡Ñ¡ÔñºÏÊʵÄÐýתÌÖÂÛ£¬£¬Ê×ÏÈҪȷÈÏÇåÎúÐýתÌÖÂÛµÄÊÖÒÕ²ÎÊý£¨Ê¹ÓòÎÊý£©ÊÇ»ù±¾°ü¹ÜµÄÌõ¼þ£¬£¬Ëü°üÀ¨½éÖÊ¡¢¡¢Î¶È¡¢¡¢×ªËÙºÍѹÁ¦¡£¼´ËùÏëҪѡ¹ºµÄÐýתÌÖÂÛÊÇÓÃÀ´Í¨Ê²Ã´½éÖÊ£¬£¬Ë®¡¢¡¢ÓÍ¡¢¡¢ÕôÆû»ò¿ÕÆøµÈÁ÷Ìå½éÖÊ£¿£¿½éÖʵÄζÈÊǼ¸¶à£¿£¿¹ÜµÀµÄѹÁ¦Óë×°±¸ÐýתµÄתËÙÊǼ¸¶à£¿£¿Í¨¹ýÕâËĸö»ù´¡ÊÖÒÕÒªËØ£¬£¬Ôò´óÖÂÈ·ÈÏÁËÊÊÓõÄÐýתÌÖÂÛÀàÐÍ¡£


¡¡¡¡¶þ¡¢¡¢½éÖÊÁ÷Ïò¼òÖ±ÈÏ

¡¡¡¡ÐýתÌÖÂÛµÄÊÖÒÕ²ÎÊýÈ·ÈϺÃÖ®ºó£¬£¬½ÓÏÂÀ´»¹ÒªÈ·ÈϽéÖÊÁ÷Ïò£¬£¬ÐýתÌÖÂ۵ĽéÖÊÁ÷Ïò·ÖΪµ¥Í¨Â·¡¢¡¢Ë«Í¨Â·¼°¶àͨ·£¬£¬ËüÊÇÆ¾Ö¤ÓëÐýתÌÖÂÛÅþÁ¬×°±¸µÄ½á¹¹À´¾öÒéµÄ£º£º

¡¡¡¡1.ÈôÊÇ×°±¸µÄ½á¹¹¾öÒéÁËÊäÈë½éÖÊÓëÊä³ö½éÖÊ»®·ÖÔÚ×°±¸µÄÁ½²àʵÏÖ£¬£¬ÄÇôÔòÑ¡Ôñµ¥Í¨Â·ÐÍÐýתÌÖÂÛ¡£

¡¡¡¡µ¥Í¨Â·

¡¡¡¡ÓÃÓÚÏòÐýת¹õ¡¢¡¢¹öͲ¡¢¡¢Æø¸×µÈµÄÒ»¶Ë¹©Ó¦ÀäÈ´Ë®¡¢¡¢ÓÍ»òÕßÕôÆûµÈÁ÷Ìå½éÖÊ£¬£¬´Ó·´Ïò¶ËÇãÔþ¡£


ÖÙ²©¡¤cbin99(Öйú¼¯ÍÅ)¹Ù·½ÍøÕ¾

¡¡¡¡2.ÈôÊÇ×°±¸µÄ½á¹¹¾öÒéÁËÊäÈë½éÖÊÓëÊä³ö½éÖÊÔÚ×°±¸µÄͳһ²àʵÏÖ£¬£¬ÄÇôÔòÑ¡Ôñ˫ͨ·ÐÍÐýתÌÖÂÛ¡£

¡¡¡¡×¢:˫ͨ·ÐÍÐýתÌÖÂÛ»¹ÐèÈ·ÈÏÄÚ¹ÜÐÎʽ£¬£¬¼´Àο¿Ê½Òà»òÐýתʽ£¬£¬Æ¾Ö¤²î±ð¹¤¿öÌõ¼þ£¬£¬¾ÙÐÐÕë¶ÔÐÔÅäÐÍ¡£

¡¡¡¡¢¡¢Ù˫ͨ·ÄÚ¹ÜÀο¿Ê½

¡¡¡¡ÓÃÓÚÏòÐýת¹õ¡¢¡¢Æø¸×»òÕß¹öͲ֮Öй©Ó¦ÕôÆû»òÕßË®¡¢¡¢ÓÍ£¬£¬´Óͳһ¶ËÇãÔþ¡£


ÖÙ²©¡¤cbin99(Öйú¼¯ÍÅ)¹Ù·½ÍøÕ¾

¡¡¡¡¢¡¢Ú˫ͨ·ÄÚ¹ÜÀο¿Ê½

¡¡¡¡´ËÐͲî±ð´¦Îªºæ¸×ƒÈÉèÓкçÎü¹Ü£¬£¬ÀäÄýˮͨ¹ýºçÎü¹ÜÇãÔþ£¬£¬´ËÐͶàÓÃÓÚÕôÆû¡£


ÖÙ²©¡¤cbin99(Öйú¼¯ÍÅ)¹Ù·½ÍøÕ¾

¡¡¡¡¢¡¢Û˫ͨ·ÄÚ¹ÜÐýתʽ

¡¡¡¡ÏòÐýתÖеĹõ¡¢¡¢Æø¸×¡¢¡¢¹öͲµÈÖ®Öй©Ó¦»òÕßÇãÔþË®¡¢¡¢ÕôÆû¡¢¡¢ÈÈË®»òÕßÈÈÓÍʱ£¬£¬ÄÚ¹ÜÒ²±ØÐèÒ»ÆðÐýתµÄÇéÐÎÏÂʹÓá£


ÖÙ²©¡¤cbin99(Öйú¼¯ÍÅ)¹Ù·½ÍøÕ¾

¡¡¡¡3.ÈôÊÇ×°±¸ÒªÇóͬʱÔËËͶàÖÖ½éÖÊ»ò½«½éÖÊÊä³öË͵½¶à¸öλÖÃʱӦ˼Á¿Ñ¡Óöàͨ·ÐÍÐýתÌÖÂÛ¡£

ÖÙ²©¡¤cbin99(Öйú¼¯ÍÅ)¹Ù·½ÍøÕ¾

¶àͨ·ÐýתÌÖÂÛÖ®Ò»

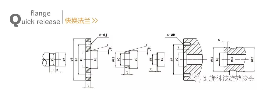
¡¡¡¡Èý¡¢¡¢ÐýתÌÖÂÛÅþÁ¬ÐÎʽ¼°³ß´ç¼òÖ±ÈÏ

¡¡¡¡ÐýתÌÖÂÛÊǽ«Á÷Ìå½éÖÊÓÉÀο¿¹ÜµÀÔËË͵½Ðýת»ò°ÚÐýÒ»¸ö½Ç¶ÈµÄ¹ÜµÀ¡¢¡¢×°±¸ÖеÄÁ÷Ì嶯ÃÜ·â×°Ö㬣¬ÔÚ¶¯Ì¬×°±¸Ó뾲̬¹ÜµÀÖÐÐijе±×ÅÅþÁ¬¡¢¡¢ÃÜ·âµÄÖ÷Òª½ÇÉ«£¬£¬ÆäÅþÁ¬ÐÎʽ¼°³ß´ç£¬£¬×îÖÕ¾öÒé׏ºÖõ½ÊÖµÄÐýתÌÖÂÛÊÇ·ñÄÜ¡°ÅäµÃÉÏ¡±ÄúµÄ×°±¸¡£

¡¡¡¡Òò´ËÊ×ÏÈÆ¾Ö¤×°±¸ÓëÐýתÌÖÂÛÅþÁ¬½á¹¹ÐÎʽÀ´È·¶¨ÊÇÂÝÎÆÅþÁ¬Õվɷ¨À¼ÅþÁ¬£¬£¬ÆäÖÐÈôÊÇÑ¡ÔñÂÝÎÆÊ½ÅþÁ¬µÄÐýתÌÖÂÛ£¬£¬ÔòÐèÇøÌØÊâÂÝÎÆ»òÄÚÂÝÎÆ£¬£¬²¢Ã÷È·×°±¸µÄÐýתƫÏò£¨ÈôÔÚ×°ÖÃÐýתÌÖÂÛµÄÒ»²àÊӲ쵽װ±¸ÊÇ˳ʱÕëÔËת£¬£¬ÔòÐýתÌÖÂÛӦѡ×óÐýÂÝÎÆ£¬£¬·´Ö®ÔòͬÀí£©£¬£¬ÈôÊÇÑ¡Ôñ·¨À¼Ê½ÅþÁ¬£¬£¬ÔòÐèÈ·ÈÏ·¨À¼ÅþÁ¬ÐÎʽ£¬£¬´óÖ¿ɷÖΪÄÚÂÝÎÆ·¨À¼ÅþÁ¬¡¢¡¢¿ì»»·¨À¼Ê½ÅþÁ¬£¨¿¨¿Úʽ·¨À¼£©¡¢¡¢º¸½Ó·¨À¼Ê½ÅþÁ¬¡¢¡¢ÕûÌå·¨À¼Ê½ÅþÁ¬¡£


ÖÙ²©¡¤cbin99(Öйú¼¯ÍÅ)¹Ù·½ÍøÕ¾


ÖÙ²©¡¤cbin99(Öйú¼¯ÍÅ)¹Ù·½ÍøÕ¾

¡¡¡¡È·ÈÏÍêÐýתÌÖÂÛµÄÅþÁ¬·½Ê½ºó£¬£¬»¹ÐèÈ·ÈÏÆäÅþÁ¬³ß´ç£¬£¬¼´ÐýתÌÖÂÛÓë×°±¸µÄÅþÁ¬³ß´ç£¬£¬Ë«Í¨Â·ÐýתÌÖÂÛ»¹ÐèÈ·ÈÏÄڹܳߴç¡£ÈôΪÂÝÎÆÅþÁ¬ÐýתÌÖÂÛÐèÈ·ÈÏÆäͨ¾¶¡¢¡¢Íâ¾¶¼°ÑÀ¾à£»£»£»ÈôΪ·¨À¼Ê½ÅþÁ¬£¬£¬Ôòƾ֤·¨À¼ÅþÁ¬ÐÎʽȷÈÏÏìÓ¦µÄ³ß´ç¡£

¡¡¡¡Àý£º£º¿ì»»·¨À¼Ê½ÅþÁ¬È·Èϳߴçͼ

ÖÙ²©¡¤cbin99(Öйú¼¯ÍÅ)¹Ù·½ÍøÕ¾

¡¡¡¡±ðµÄ£¬£¬»¹ÐèÌṩÐýתÌÖÂÛÓë½ðÊôÈí¹ÜÏàÁ¬µÄ½Ó¿ÚÐÎʽ¼°³ß´ç¡£

ÖÙ²©¡¤cbin99(Öйú¼¯ÍÅ)¹Ù·½ÍøÕ¾

¡¡¡¡ËÄ¡¢¡¢ÆäËü˼Á¿ÒòËØ

¡¡¡¡Ñ¡ÔñÒ»¿îºÏÊʵÄÐýתÌÖÂÛ£¬£¬³ýÈ·ÈÏÒÔÉÏÈý¸ÅÂÔËØÍ⣬£¬Í¬Ê±Ò²¿É˼Á¿ÆäËü×ÛºÏÒªËØ£¬£¬ÈçÐýתÌÖÂ󵀮·ÅÆ¡¢¡¢ÖÆÔìÉ̵ķþÎñ¡¢¡¢Êۺ󡢡¢½»ÆÚµÈÒòËØ£¬£¬ÒÔʹÐýתÌÖÂÛʩչµ½×î´ó¹¤Ð§²¢ÓõÃÂúÒâ¡¢¡¢ÊæÐÄ¡£

¡¡¡¡×îºó£¬£¬µ±ÄúҪѡÔñ»ò¹ºÖÃÐýתÌÖÂÛʱ£¬£¬Ò»¶¨ÒªÇåÎúµÄÖªµÀÐýתÌÖÂÛÓÃÔÚÄÇÀï¡¢¡¢ÊÖÒÕ²ÎÊý£¨ÈôÐýתÌÖÂÛÉÏÓбêÅÆÒà¿ÉÖ±½Ó±¨ÓèÖÆÔì³§£¬£¬¸ü±ãÓÚÖ±½ÓÑ¡ÐͲÎÕÕ£©¡¢¡¢ÓÐÎÞÆäËûÌØÊâÒªÇ󣬣¬ÓëÏà¹Ø·½¶à¶àÏàͬ£¬£¬ÒÔÆÚÑ¡¹ºµ½Ò»¿î×îºÏÊʵÄÐýתÌÖÂÛ¡£

ÖÙ²©¡¤cbin99(Öйú¼¯ÍÅ)¹Ù·½ÍøÕ¾

¡¡¡¡Ã¿Ò»¶ÎÏàÓö£¬£¬¶¼ÊÇÔËÆøÖÐ×îºÃµÄ°²ÅÅ£¬£¬ÎªÄúµÄ×°±¸ÌṩÇå¾²ÔËËÍÁ÷Ìå½éÖʵÄ×î¼Ñ²úÆ·£¬£¬ÊÇÎÒÃdzÖÖ®Æð¾¢µÄÆ«Ïò£¬£¬°®ºÍÐÅÈΣ¬£¬¶¼Òª×¨ÐÄı»®£¬£¬×¨ÐÄÊØºò£¬£¬ÖÙ²©cbin99¿Æ¼¼Ô¸ÎªÄúµÄÉú²úÏß±£¼Ý»¤º½£¬£¬Ò»ÆðÓëÄú×ßÐÒ¸£Â·¡£

Copyright ?ÖÙ²©cbin99 °æÈ¨ËùÓÐ ÃöICP±¸05026600ºÅ Öлú±ê×¼»¯Ñо¿Ôº ÍøÕ¾½¨É裺£º¿ÆÎ°ÍøÂç

¡¾ÍøÕ¾µØÍ¼¡¿