
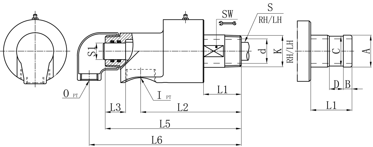
| Model | K | I | O | S1 | d | L1 | L2 | L3 | L5 | L6 | SW | 法兰式外管尺寸比照表 | |||
| A | B | C | D | ||||||||||||
| 15 | R1/2" | Rc1/2" | Rc1/2" | 10 | 13 | 29 | 85 | 22 | 119 | 134 | 20 | / | / | / | / |
| 20A | R3/4" | Rc3/4" | Rc1/2" | 12 | 17 | 39 | 103 | 24 | 139 | 155 | 26 | 26 | 11 | 24 | 16 |
| 25A | R1" | Rc3/4" | Rc1/2" | 16 | 21 | 49 | 118 | 20 | 155 | 171 | 31 | 34 | 12 | 32 | 18 |
| 32A | R1-1/4" | Rc1-1/4" | Rc1/2" | 20 | 30 | 51 | 137 | 29 | 182 | 198 | 41 | 40 | 13 | 38 | 20 |
| 40A | R1-1/2" | Rc1-1/2" | Rc3/4" | 25 | 36 | 58 | 145 | 31 | 198 | 220 | 46 | 47.8 | 13 | 45 | 20 |
| 50A | R2" | Rc1-1/2" | Rc1" | 32 | 46 | 71 | 192 | 33 | 249 | 282 | 57 | 60 | 16 | 57 | 24 |
| 65A | R2-1/2" | Rc2" | Rc1-1/4" | 40 | 60 | 79 | 214 | 45 | 289 | 316 | 80 | 74 | 19 | 70 | 24 |
| 80A | R3" | Rc2-1/2" | Rc2-1/2" | 46 | 72 | 85 | 231 | 49 | 322 | 349 | 87 | 87 | 25 | 84 | 24 |
Copyright ?仲博cbin99 版权所有 闽ICP备05026600号 中机标准化研究院 网站建设:::科伟网络